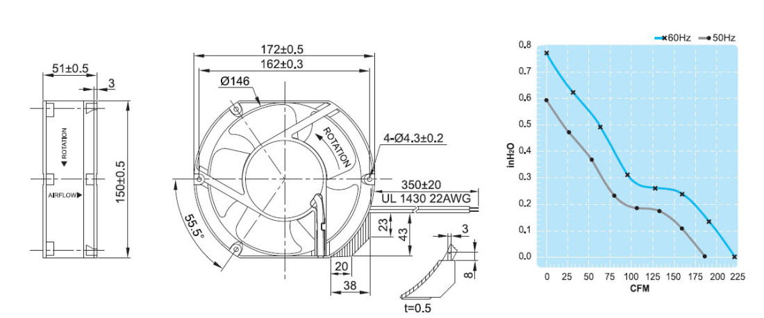
FULLTECH UF15PC Series (172*150*51)
| 사이즈 | 172*150*51 |
|---|---|
| 전압 | 115V 230V |
| 베어링 | Ball or Sleeve |
| 타입 | Lead wire or termnal |
| 인증 | CUL, CE, TUV, either UL or ETL. |
| 제조사 | FULLTECH |
목록으로
- PREVIOUSUF15P Series (172*150*51)
- NEXTUF15KC Series (172*150*55)
본문
Detail view
추천0 비추천0
댓글목록
등록된 댓글이 없습니다.

