로고

다온테마
로그인 회원가입
  • 제품소개
  • 원심형블로워
  • 제품소개

    보다 발전된 기술로 보다 정교한 제품을 생산합니다.

    원심형블로워

    보다 발전된 기술로 보다 정교한 제품을 생산합니다.

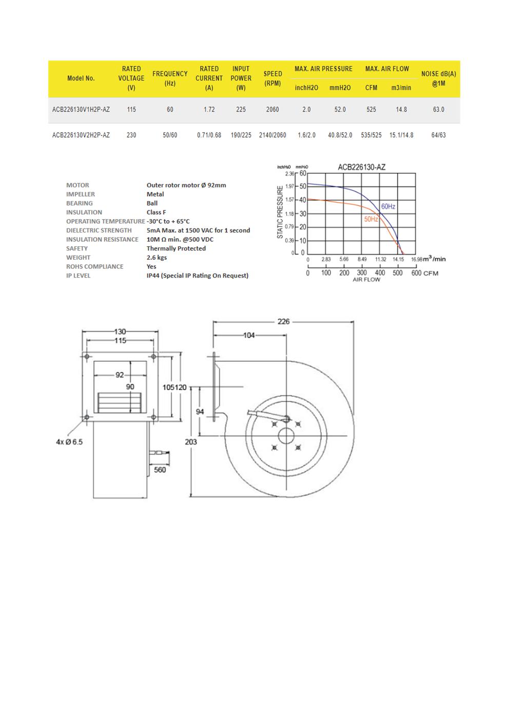
    AC 원심형블로워 ACB226130 Series (226x130x263)

    사이즈 226x130x263
    전압 110V 220V
    베어링 Ball
    타입 Lead Wire
    인증 CE
    IP등급 특주
    제조사 ACTIVA

    목록으로

    본문

    Detail view
    c13404aaaaf4c26643ff70f2fa8d6ffe_1745891145_1138.jpg

    추천0 비추천0



    댓글목록

    등록된 댓글이 없습니다.