로고

다온테마
로그인 회원가입
  • 기타제품
  • 팬쿨러,필터팬
  • 기타제품

    보다 발전된 기술로 보다 정교한 제품을 생산합니다.

    팬쿨러,필터팬

    보다 발전된 기술로 보다 정교한 제품을 생산합니다.

    삼익기전 반내부착형 : SC-153

    정격능력 9, 11W/K
    소비전력 44 / 42W
    전압 110V / 220v
    인증 CE / UL
    제조사 삼익기전

    목록으로

    본문

    Detail view


    제품 사양표 


     정격능력(W/K)

    중량

     정격전압

    정격전류 

     소비전력

    팬모터사용수 

     50Hz

     60Hz

     50Hz

     60Hz

     50Hz

     60Hz

    11 

     4.2kg

      100V 

     0.40A

     0.34A

     44W

    42W

     110V

     0.46A

     0.38A

     115V

     0.48A

     0.40A

     120V

     0.50A

     0.44A

     200V

     0.20A

     0.18A

     220V

     0.22A

     0.20A

     230V

     0.24A

     0.21A


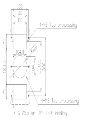
    외형치수도

    d30cd8e89b86f1e20fc87c1f599b4d09_1745817715_7526.gif

    판넬가공도


    d30cd8e89b86f1e20fc87c1f599b4d09_1745817722_7101.jpg
     

    추천0 비추천0

    첨부파일




    댓글목록

    등록된 댓글이 없습니다.